金鼎技術資料
聯系我們
- 聯系人:郭經理
- 傳真:010-69552656
- 電話:400-0346-119
- 電話:010-57491119
- 郵箱:506665119@qq.com
- 地址:北京通州區M5運河1號3號樓403室
金鼎JDSG-1防爆火災聲光報警器
時間:2018-11-02 09:15:39 品牌:
![[!--oldtitle--]](/d/file/baojingshebei/2018-11-02/afc98e04b89e1b16aff01e11a7d988cb.jpg)
JDSG-1防爆火災聲光報警器(簡稱報警器)為非編碼型報警器,適用于安裝在含有ⅡB(ⅡC)級T6溫度組別的爆炸性氣體環境場所,當生產現場發生事故或火災等緊急情況時,火災報警控制器送來的控制信號啟動聲光報警電路,發出聲和光報警信號,完成報警目的。報警器也可同手動報警按鈕配合使用,達到簡單的聲,光報警目的。報警器可以和國內外任何廠家的火災報警控制器配套使用。報警器采用LED超高亮發光管,180℃清晰可視,具有工作穩定,使用壽命長,功耗低的特點。
本產品符合GB3836.1-2000《爆炸性氣體環境用電氣設備第1部分:通用要求》、GB3836.2--2000《爆炸性氣體環境用電氣設備第2部分:隔爆型”d”》及GB3836.4--2000《爆炸性氣體環境用電氣設備第4部分:本質安全型”i”》的要求。經--指定的檢驗單位檢驗合格,并取得了防爆合格證書。
二、JDSG-1防爆火災聲光報警器技術特性防爆標志:Exd(ib)ⅡBT6;Exd(ib)ⅡCT6
工作電壓:DC24V;AC220V
報警電流:≤100mA(DC24V)
頻閃頻率:60次/min
聲響強度:90~100dB
聲響形式:消防聲;警車聲;救護車聲
使用環境:
溫度:-20℃~+50℃
相對濕度:≤95%不結露
大氣壓力:80kPa~110kPa
重量:1.2kg
三、JDSG-1防爆火災聲光報警器結構特征
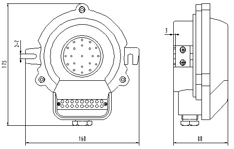
1、防爆火災聲光報警器外形實體圖如圖1所示。

圖1 防爆火災聲光報警器外形圖
2、安裝與布線
警告:安裝之前,請切斷回路的電源并確認全部底座已安裝牢靠。
布線方式:鋼管布線、電纜布線(電纜選用、電纜引入)
接線方式:二線制
接線端子示意圖:

D、D為DC24V電源(無極性)
電纜選用:截面積S=1mm2的通用電纜
電纜引入:ⅡB級采用封口螺帽壓緊密封圈結構
ⅡC級采用密封填料函結構







